

联系我们
了解更多详细信息,请致电
151-2109-0002

WX、WXD小型十字轴万向联轴器

附:米思米参数表
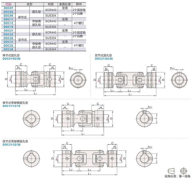
怡合达参数表


产品现场图:
产品演示:
秋戈机械设备(苏州)有限公司专业生产各种国标和日标欧标精密万向节,出口品质,精密加工,部分型号可替代日本三木,米思米,怡合达产品。如需选型或购买请联系0512-87888 929,我司提供全程技术支持 15121090002 王工(手机/微信)...
版权所有 2016 秋戈机械设备(苏州)有限公司 苏ICP备17007032号
公司地址:中国江苏省昆山开发区企业科技园东创科技中心1号楼